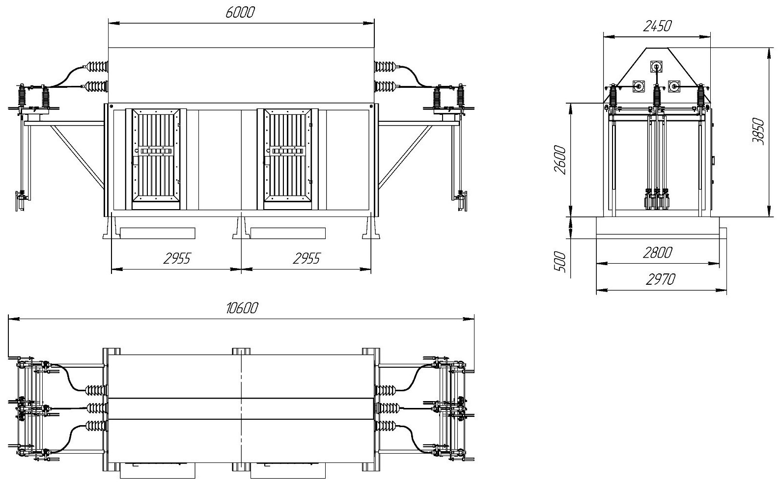
Габаритные размеры Автоматического пункта секционирования закрытого типа 35 кВ

Предусмотрено два варианта исполнения Автоматического пункта секционирования 35 кВ закрытого типа:
- Модуль секционирования закрытого типа 35 кВ
- Модуль отпайки закрытого типа 35 кВ
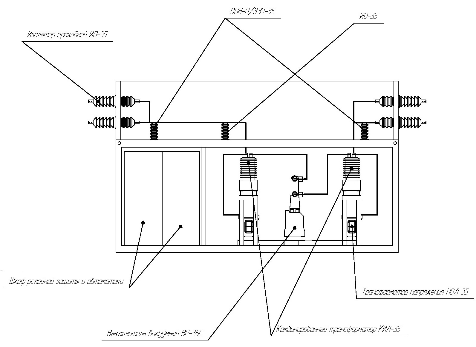
Модуль секционирования закрытого типа
Комплектация
- вакуумный выключатель ВР35С УХЛ2 - 1 шт.;
- комбинированный трансформатор КИЛ-35 УХЛ1 - 6 шт.;
- трансформатор напряжения НОЛ-35-СЭЩ УХЛ2 – 6 шт.;
- разъединитель трехполюсный РГП-35 УХЛ1 – 2 шт.;
- изолятор проходной ИП-35 УХЛ1 – 6 шт.;
- ограничитель перенапряжения ОПН-П/ЗЭУ-35 УХЛ2 – 6 шт.;
- изолятор опорный ИО-35-320/140 УХЛ2 – 9-12 шт.;
- шкаф защиты и автоматики – 2 шт.
Электрическая схема

Расположение оборудования в модуле секционирования закрытого типа

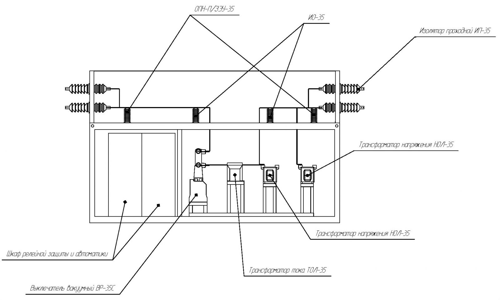
Модуль отпайки закрытого типа
Комплектация модуля отпайки
- вакуумный выключатель ВР35С УХЛ2 -1 шт.;
- трансформатор тока ТОЛ-35 СЭЩ ухл2 – 3 шт.;
- трансформатор напряжения НОЛ-35-СЭЩ УХЛ2 – 6 шт.;
- разъединитель трехполюсный РГП-35 УХЛ1 – 2 шт.;
- изолятор проходной ИП-35 УХЛ1 – 6 шт.;
- ограничитель перенапряжения ОПН-П/ЗЭУ-35 УХЛ2 – 6 шт.;
- изолятор опорный ИО-35-320/140 УХЛ2- 9–12 шт.;
- шкаф защиты и автоматики – 2 шт.
Электрическая схема модуля отпайки закрытого типа

Расположение оборудования в модуле отпайки закрытого типа

Заказать и получить цены на данный тип оборудования вы можете обратившись к нам по телефону или сделать запрос через сайт.